PT EVER AGE VALVES METALS

  • Profil
    • Profil

      Profil EAVM

      • Struktur Organisasi
      • Sejarah
      • Visi dan Misi
  • All Product
    • All Product

  • MEDIA & INFORMASI
    • MEDIA & INFORMASI

      Berita & Artikel

      • Galeri
      • Video

      AGENDA

      • Agenda Kegiatan
  • Gate Valves
    • Gate Valves

      List Product 1

      • GATE VALVES THREADED - GV 0 -
      • GATE VALVE SOLDER - GV 11 - GV
      • GATE & WASTE VALVES - GVD 2 -
      • GATE & WATE VALVE - GVD 12 - G
      • GATE COMPRESSION VALVES - GVC

      List Product 2

      • GATE - CPVC - GVC 2 CPVC - GVC
      • GATE - DUTY - GVH 2 - GVH 9
      • GATE LONG BONNET - GVL 2 - GVL
      • GATE WITH LONG GVL 12 - 17
      • GATE - QUICK OPENING - GVQ 2 -

      List Product 3

      • GATE STUFFING BOX -GVB 1 - 7
      • GATE STUFFING BOX GVB 12 - 17
      • GATE WTH FLANGE GVF 2 - 10
  • Globe Valves
    • Globe Valves

      List Product 4

      • GLOBE WITH HARD SEAT GB 0 - 7
      • SOFT SEAT(RUBBER, TEFLON)- GBR
      • STUFFING BOX - GBB 2 - GBB 7
      • FLANGE - GBF 2 - GBF 10
  • Check Valves
    • Check Valves

      List Product 5

      • SWING - CV 0-10, CV 11-20, CVR
      • Y PATTERN CVY 1-20, CVYR,CVYT
      • INLINE THREADED - CVI 1 - CVI
      • INLINE SOLDER - CVI 12 - CVI 1
      • INLINE (TAP) - CVI 4A - CVI 7

      List Product 6

      • INLINE (TAP) - CVI 4B - CVI 7B
      • INLINE (TAP) - CVI 4C - 7C
      • INLINE TAP - CVI 4D - 7D
      • INLINE(TAP) - CVI 4E - 7E
      • INLINE (TAP) - CVI 4F - 7F

      List Product 7

      • INLINE HEAVY DUTY (LONG) - CVI
      • INLINE SPRING - CVIA 2-7, 12-1
      • INLINE (MIP X FIP) - CVM 2 - 4
      • FOOT VALVES - CVF 2 - CVF 45
  • Ball Valves
    • Ball Valves

      List Produk 8

      • BALL VALVES - BV 0-7, BV 12-17
      • TEST COCK VALVES - BV 188 - BV
      • TESTCOCK WITHOUT H BV 188
      • DBV WITHOUT H BV 161 - 176
      • BALL VALVES COMPRESSION - BVC
      • GAS BALL VALVES - BVG 1-4, 21

      List Product 9

      • BALL VALVES FULL - BVF 2-7, BV
      • BALL VALVES FULL WITH DRAIN -
      • BALL VALVES WITH ORING SEALING
      • BALL VALVES PEX - BVP 1 - BVP
      • BALL VALVES PEX WITH DRAIN - B
      • BALL VALVES INSERT - BVI 3 - B

      List Product 10

      • BALL VALVES LONG - BV 2L - BV
      • BALL VALVES JET NOZZLE WITH BU
      • BVCS 3 BVCS 4
      • LOG LIGHTER BALL VALVES - BVL
  • Log Lighter Valves
    • Log Lighter Valves

      List Product 11

      • LOG LIGHTER STOP VALVES - SVS
      • 2 WAY COMBO LOG LIGHTER STOP
  • Angle Meter Valves
    • Angle Meter Valves

      List Produk 12

      • METER & WASTE VALVES - RV 4413
  • Boiler Drains
    • Boiler Drains

      List Product 19

      • BOILER DRAIN VALVES - MV 19 -
      • BDV WITH COMP. MV 23C
      • BOILER DRAIN WITH PEX - MVP 2
      • BOILER DRAIN WITH PEX MVPW 23-
      • BDV WITH O-RIN 19-26
      • BDV ANGLE SPOUT HBH 17 - 20
      • BDV ANGLE SPOUT HBH 21-22
      • BDV ANGLE SPOUT HBH 25-26

      List Product 20

      • BDV ANGLE SPOUT HBH 17-20
      • BDV ANGLE SPOUT HBH 21-22
      • BDV ANGLE SPOUT HBH 25
      • STOP & WASTE WITH O-RI 5-7
      • STOP & WASTE WITH O-RIN 6-8
      • ST Y PATTERN WITH O-R 5-6
      • BDV O-RING SEALING WITH ZINC
      • BDV BALL- MB 13-14

      List Product 21

      • BDV ANGLE SPOUT MB15A-MB16A
      • BDV ANGLE SPOUT MB15C
      • BDV ANGLE SPOUT - 19 - MB 20
      • BDV ANGLE SPOUT - 17 - MB 18A
      • BDV ANGLE SPOUT -17C
      • BDV STUFFING BOX - MB 21 - MB
      • LONG SHANK MB 26 - MB 26 B - M
      • EVAPORATIV COOLER - MB 32 - MB
      • BDV - MBD 15 - MBD 18A
  • Sillock Valves
    • Sillock Valves

      List Product 23

      • SILLCOCK V - MV 28 - MV 31
      • SILLCOCK V - MB 28 - MB 31
      • SILLCOCK V - MB 28 - MB 31 B
      • SILLCOCK V- MV 282 - MV 282PX
      • SV WITH O-RING-MV -MVON 28- 31

      List Product 24

      • SV WITH PEX - MV 32 PX - MV 33
      • SV HEAVY DUTY 28-31
      • SVWITH MV 32 PWFOVB MV 33 PW
      • SV HEAVY DUTY - HBH 28A-31A
      • SVHD,VACUUM BREAKER-HBH 28

      List Product 25

      • SVHD,VACUUM BR HBH 28AVB - HBH
      • SVHD, LOOSE KEY H- HBH 28K -31
      • SVHD,LK H-HBH 28AK HBH 31AK
      • SVHD - HBH 32AP HBH 33APW
  • Strainer
    • Strainer

      List Product 40

      • TOP HOUSING SHOWER PAN
      • SINK STRAINER - DST 6
      • Y - STRAINER - STY 0C - STY 1
  • ACCESSORIES
    • ACCESSORIES

      List Product 67

      • HAND WHEEL - PEGLER HANDLE
      • TEE HANDLE & LOOSE KEY
      • ELLIPS HANDLE - ZINC HAND WHEE
      • ACRELIC HANDLE - TUMB HANDLE
      • ANTI SHIPHON - FFA 2 - FFA 24
      • AVU 42-44 - AVU 42X-44X -Spare
  • CERTIFICATE
    • CERTIFICATE

      0166 AMD 1

      • SERTIFIKAT 0166 AMD 1
      • MEREK

      0168 AMD 1

      • SERTIFIKAT 0168 AMD 1
      • MEREK

      122;2022

      • SERTIFIKAT EAVM 122:2022
      • MEREK

      FM 679051

      • FM-679051

      ASSE Seal 1052

      • ASSE SEAL 1052 CERT 3.31.26

      ASSE Seal 1053

      • ASSE SEAL 1053 CERT 3.31.26

      ASSE Seal 1262

      • ASSE SEAL 1262 CERT 20270131

      IAMPO 6644

      • IAPMO 6644
      • IAPMO 6644 - 2
      • IAPMO 6644 - 3

      ASSE INTERNATIONAL

      • ASSE INTERNATIONAL PRODUCT
      • ASSE 2
      • ASSE 3

      IAPMO 8152

      • IAPMO 8152
      • IAPMO 8152 - 2
      • IAPMO 8152 - 3

      IAPMO 4582

      • IAPMO-4582
      • IAPMO 4582-2
      • IAPMO 4582 - 3

      IAPMO 5459

      • IAPMO 5459
      • IAPMO 5459 - 2
      • IAPMO 5459 - 3

      CSA-GAS VALVE

      • CSA-GAS VALVE
      • CSA-GAS VALVE - 2
      • CSA-GAS VALVE - 3
      • CSA-GAS VALVE - 4

      NSF_ANSI_CAN 61-4

      • NSF_ANSI_CAN 61-4
      • NSF_ANSI_CAN 61-4 - 2
      • NSF_ANSI_CAN 61-4 - 3
      • NSF_ANSI_CAN 61-4 - 4
      • NSF_ANSI_CAN 61-4 - 5
      • NSF_ANSI_CAN 61-4 - 6
      • NSF_ANSI_CAN 61-4 - 7
  • CERTIFICATE - 2
    • CERTIFICATE - 2

      IAPMO 12215

      • IAPMO 12215 - 2
      • IAPMO 12215
      • IAPMO 12215 - 3
      • IAPMO 12215 - 4
      • IAPMO 12215 - 5
      • IAPMO 12215 - 6
      • IAPMO 12215 - 7
      • IAPMO 12215 - 8
      • IAPMO 12215 - 9
      • IAPMO 12215 - 10
      • IAPMO 12215 - 11
      • IAPMO 12215 - 12

      IAPMO 4157

      • IAPMO 4157
      • IAPMO 4157 - 2
      • IAPMO 4157 - 3
      • IAPMO 4157 - 4
      • IAPMO 4157 - 5
      • IAPMO 4157 - 6
      • IAPMO 4157 - 7
      • IAPMO 4157 - 8
      • IAPMO 4157 - 9
      • IAPMO 4157 - 10
      • IAPMO 4157 - 11

      NSF_ANSI_CAN 61-9

      • NSF_ANSI_CAN 61-9
      • NSF_ANSI_CAN 61-9-2
      • NSF_ANSI_CAN 61-93
      • NSF_ANSI_CAN 61-94
      • NSF_ANSI_CAN 61-95
      • NSF_ANSI_CAN 61-96
      • NSF_ANSI_CAN 61-97
      • NSF_ANSI_CAN 61-98
      • NSF_ANSI_CAN 61-99
      • NSF_ANSI_CAN 61-910
      • NSF_ANSI_CAN 61-911
      • NSF_ANSI_CAN 61-912
      • NSF_ANSI_CAN 61-913
      • NSF_ANSI_CAN 61-914
      • NSF_ANSI_CAN 61-915
      • NSF_ANSI_CAN 61-916
      • NSF_ANSI_CAN 61-917
  • CERT_NSF_61-8
    • CERT_NSF_61-8

      CERT_NSF_61-8

      • CERT_NSF_61-8
      • CERT_NSF_61-82
      • CERT_NSF_61-8-3
      • CERT_NSF_61-8-4
      • CERT_NSF_61-8-5
      • CERT_NSF_61-8-6
      • CERT_NSF_61-8-7
      • CERT_NSF_61-8-8
      • CERT_NSF_61-8-9
      • CERT_NSF_61-8-10
      • CERT_NSF_61-8-11
      • CERT_NSF_61-8-12

      CERT_NSF_61-8-2

      • CERT_NSF_61-8-13
      • CERT_NSF_61-8-14
      • CERT_NSF_61-8-15
      • CERT_NSF_61-8-16
      • CERT_NSF_61-8-17
      • CERT_NSF_61-8-18
      • CERT_NSF_61-8-19
      • CERT_NSF_61-8-20
      • CERT_NSF_61-8-21
      • CERT_NSF_61-8-22
      • CERT_NSF_61-8-23
      • CERT_NSF_61-8-24

      CERT_NSF_61-8-3

      • CERT_NSF_61-8-26
      • CERT_NSF_61-8-27
      • CERT_NSF_61-8-28
      • CERT_NSF_61-8-29
      • CERT_NSF_61-8-30
      • CERT_NSF_61-8-31
      • CERT_NSF_61-8-32
      • CERT_NSF_61-8-33
      • CERT_NSF_61-8-34
      • CERT_NSF_61-8-35
      • CERT_NSF_61-8-36
      • CERT_NSF_61-8-25
  • Hubungi Kami

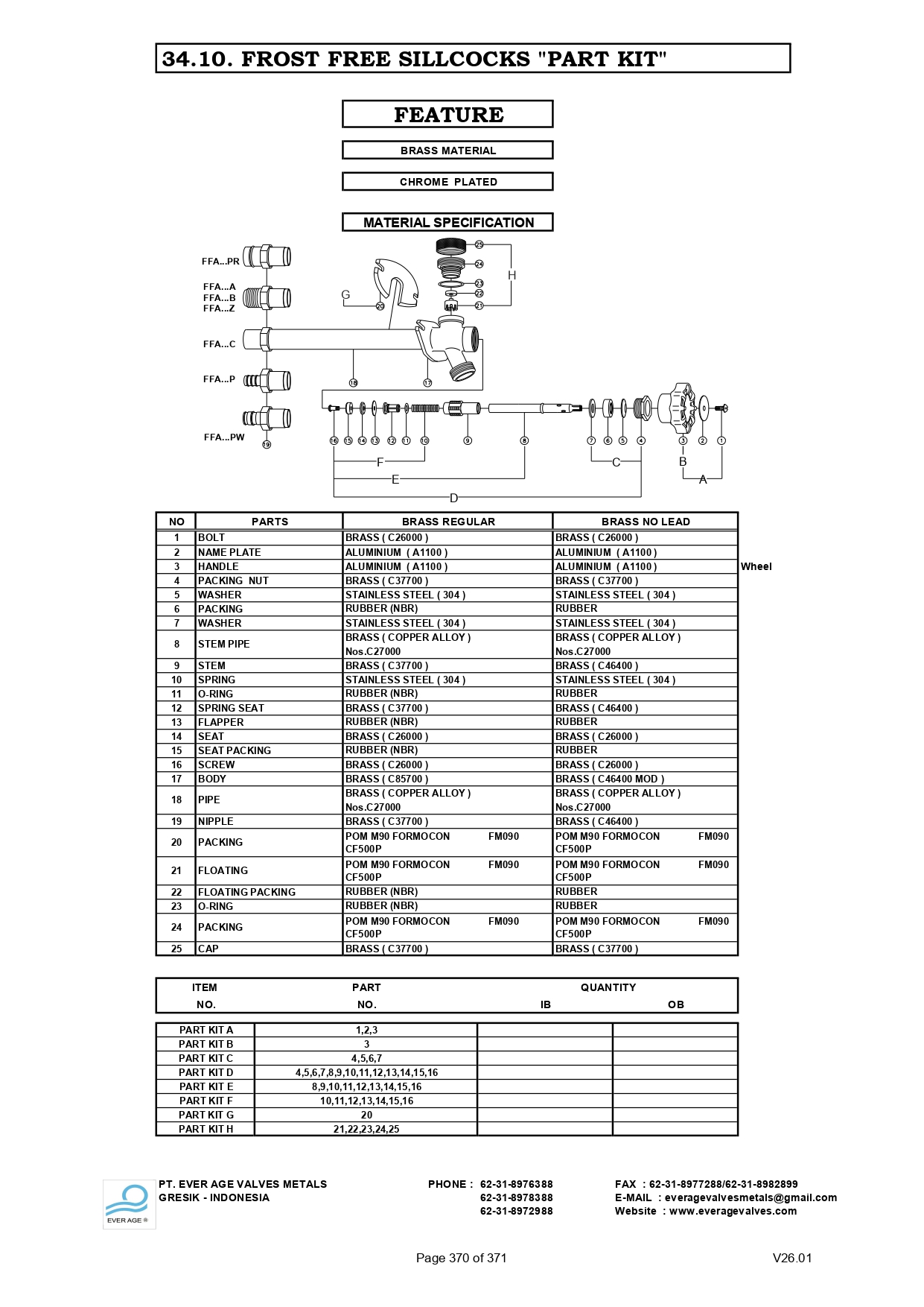
FROST FREE SILLCOCKS - ANTI SHIPHON - FFA 2 - FFA 24 Sparepart

FROST FREE SILLCOCKS - ANTI SHIPHON - FFA 2 - FFA 24 Sparepart

Latest News

  • ANGLE GLOBE VALVES WITH UNION - AVU 42-44 - AVU 42X-44X -Sparepart
  • FROST FREE SILLCOCKS - ANTI SHIPHON - FFA 2 - FFA 24 Sparepart
  • LEVER HANDLE - TUMB HANDLE
  • ELLIPS HANDLE - ZINC HAND WHEEL
  • CROSS HANDLE - TEE HANDLE & LOOSE KEY
  • ACCESSORIES - HAND WHEEL - PEGLER HANDLE
  • RELIEF VALVE - RV 34 - RV 35 RV 36
  • Y - STRAINER - STY 0 NPR - STY 9 NPR

LOKASI
FANSPAGE
DPPKB Karawang
Contact Us
62318977288

Alamat Kantor : Jl. Raya Sumengko-Gresik Km 30.7, Wringinanom-Gresik (61176) - Jawa Timur

Telpon : +62-31-897 8388/897 6388/897 2988

Fax : +62-31-897 7288

email :  ; everagevalvesmetals@gmail.com

© 2026 Powered by IT Programmer